4S-Low Pass Filter Schematics
Click either picture for a larger image.

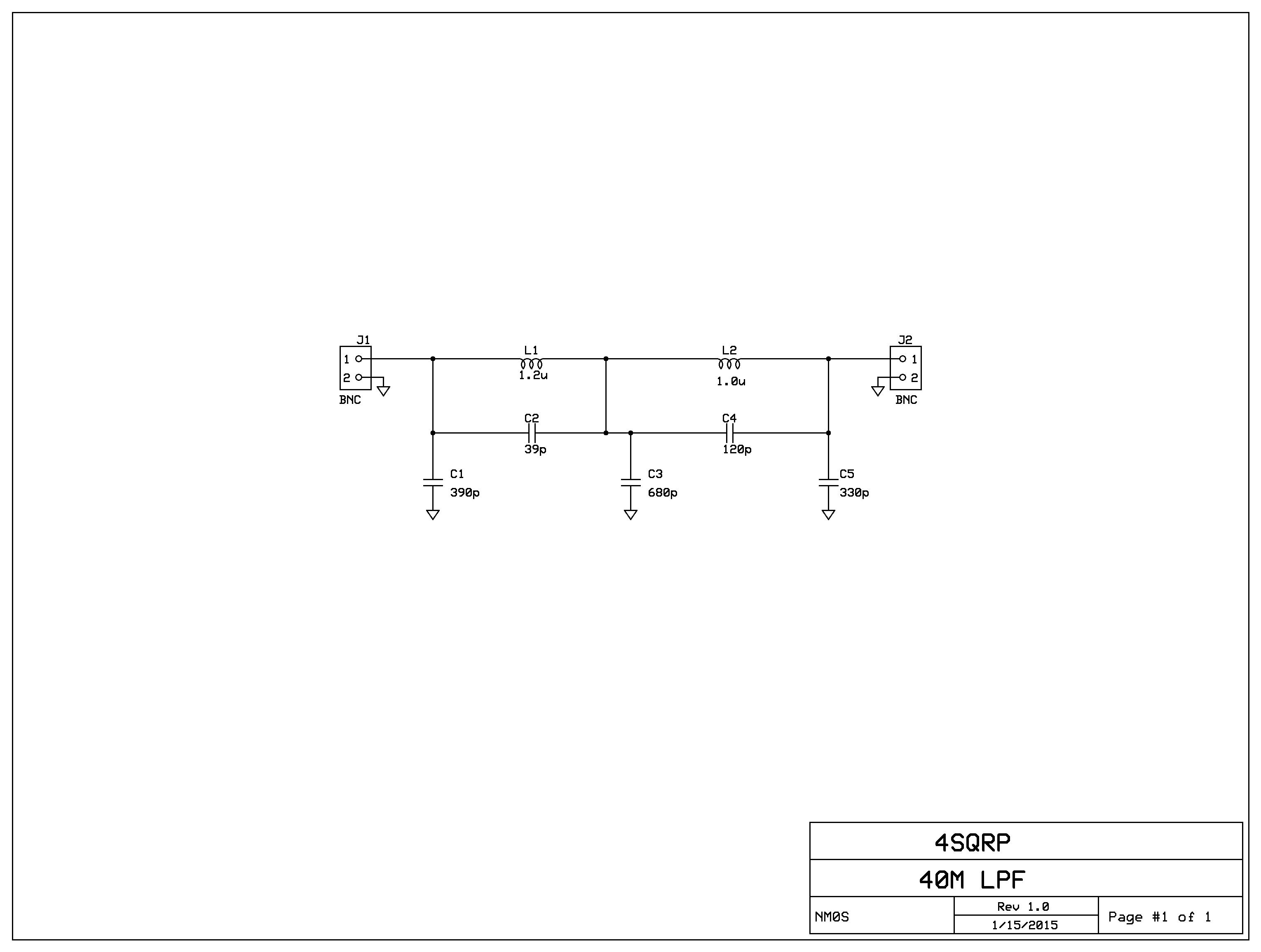
80 Meter Schematic

 
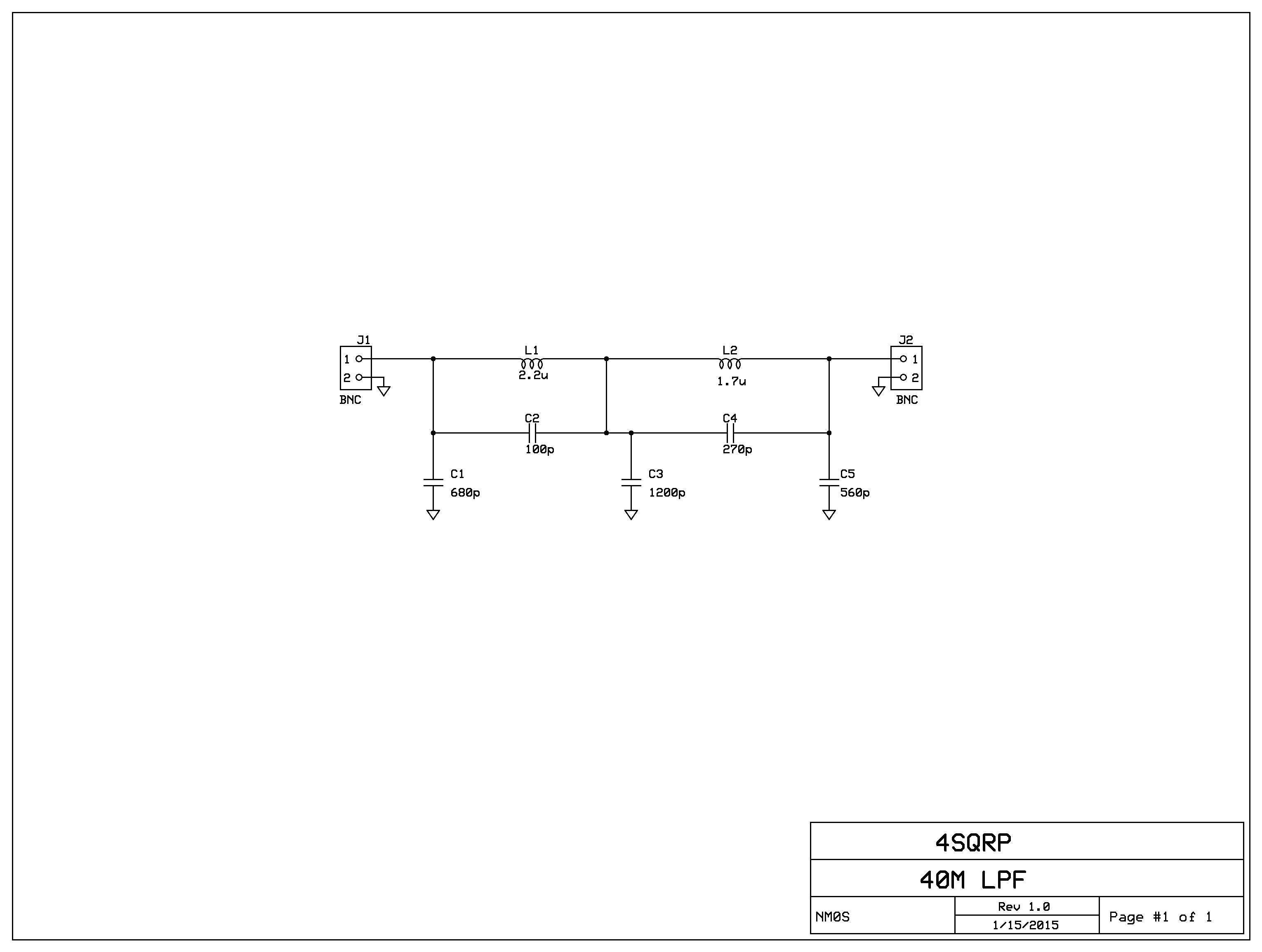
40 Meter Schematic


Back To 4S-LPF Home Page