Connecting to the SS-40 Receiver

Click to enlarge.
    
Jim Kortge, K8IQY, has interfaced Freq-Mite to the SS-40. His recommendations are below.

The Freq Mite can be mounted on the left rear hole of the SS-40, as show in the attached photo(s). Doing that, connects the Freq Mite to the SS-40 PCB ground.

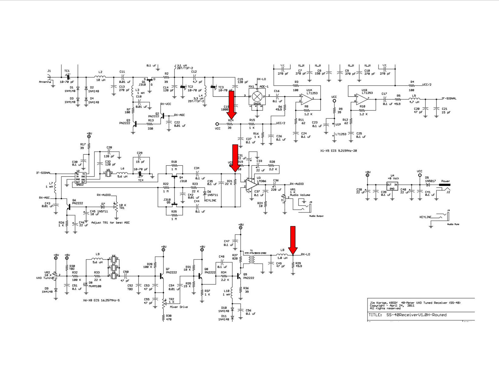
"V+" is taken from the hot end of R14.
"RF" is taken from the hot end of R29.
"AF" is wired to either end of R21 with a 33K resistor in series; I used the C44 end of R21

Since the VFO frequency is above the IF, and the rig tunes "up" in frequency as the VFO increases in frequency, the offset has to be set by subtracting the decimal part from 1.000 The SS-40 IF is at 9.213, so the remainder of the subtraction is .787, which is converted to an integer and the programming pins set to that value, the programming is 1100010011.

That's it. The Freq Mite is a nice addition to the SS-40.

Reference pictures
Click any picture for a full size image, and scroll down for all. Enlarge for details.
K8IQY Photo

  
K8IQY Photo

K8IQY Photo

  
K8IQY Photo



Return To Installation Suggestions Page
Return to Freq-Mite page